当前位置:首页 > 新闻动态 > E:ZSH型大开门双螺旋锥形混合机出厂检查记录表

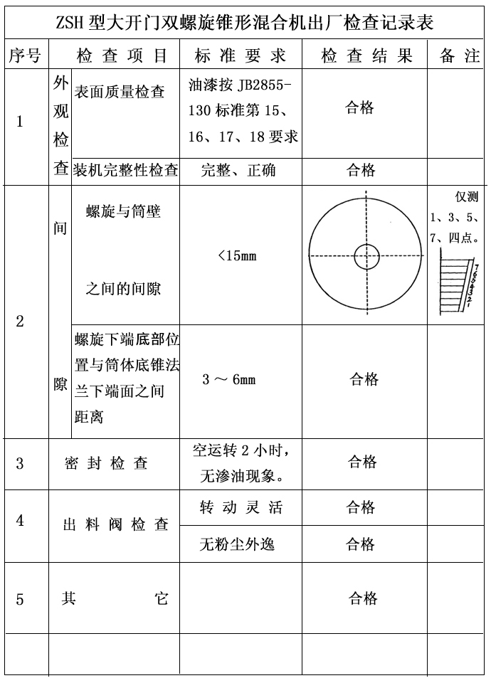
E:ZSH型大开门双螺旋锥形混合机出厂检查记录表

发布日期:[2023-05-28]     点击率:

凯日视频中心

凯日人依照“生产一代 、研发一代 、储备一代”的发展新思路 更多视频

如果您有任何产品上的问题及建议,或您想知道的,您可以随时与我们联系。

关闭
专业工程师为您选型报价

全国销售热线:021-66288666

免费电话,无需话费,输入立即沟通